CW Keyer

Back to Projects Back to Arduino Projects

Picture 1.

Unable to display PDF file. Download instead.

Enlarge the K3NG keyer basic circuit Here.

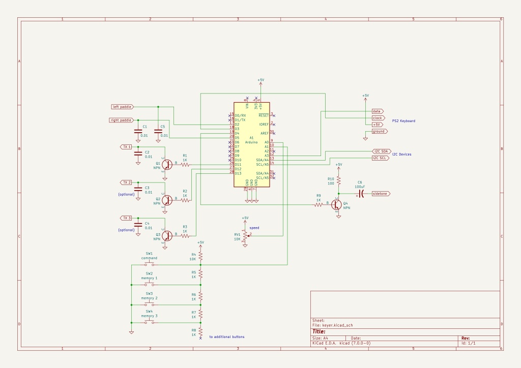
Picture 2.

2

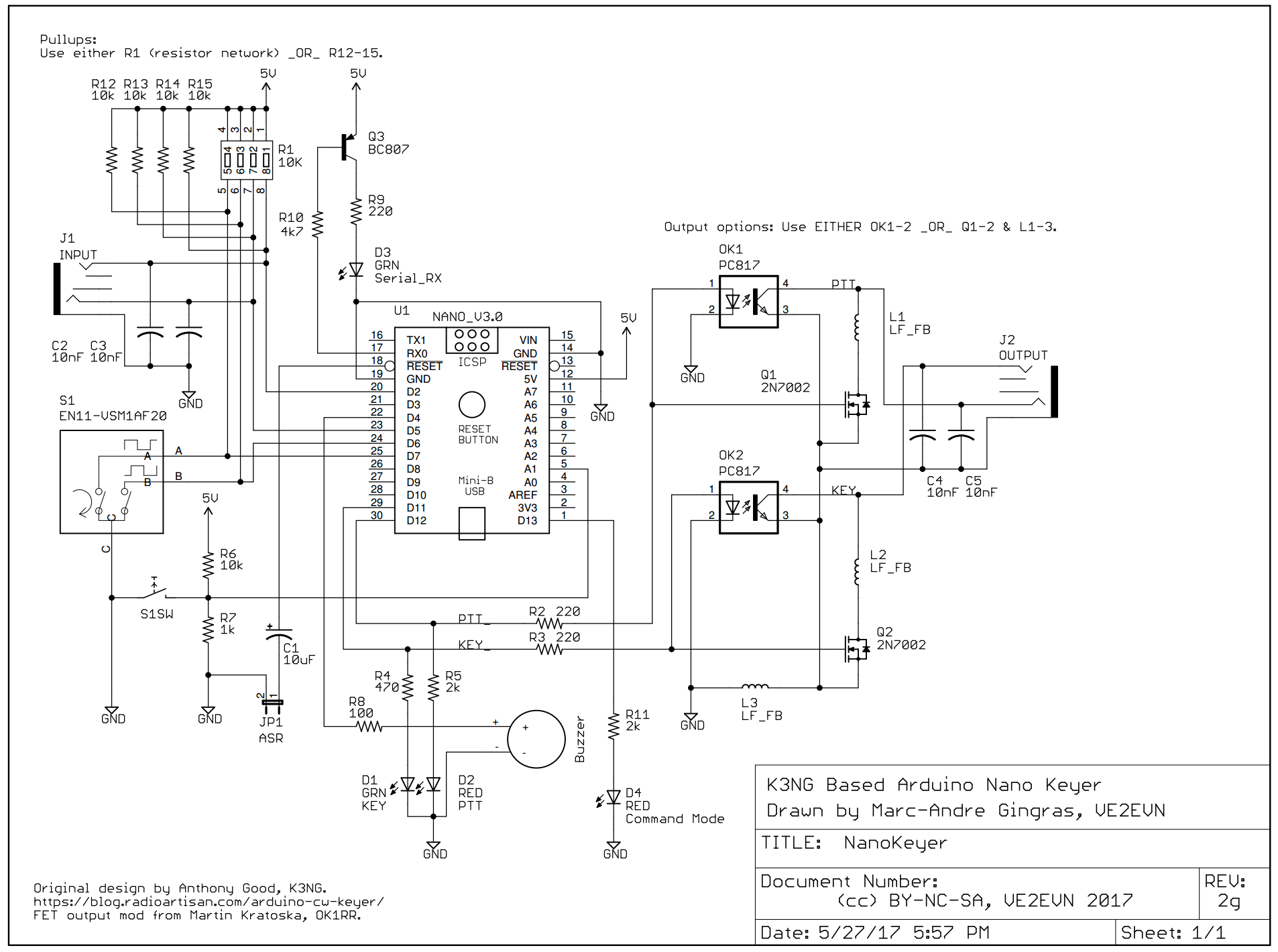
Picture 3.

2 Back to Top -

K3NG CW KEYER

by Anthony Good K3NG


Please make sure you read my Disclaimer and that you fully understand it.

This project looks a fun project to build by Anthony K3NG. He recommends to build this on a breadboard first. Before you start doing anything, I would recommend watching both parts of the youtube videos first so you get a clear idear on what to do etc and how to program the nano arduino. Click on the links below and watch both parts of Anthony Good's K3NG youtube videos. He explains how to program etc and tips to custom the keyer to your requirements.

Getting Started with the K3NG CW Keyer Part 1 Link

Getting Started with the K3NG CW Keyer Part 2 Link

I have included the links below. To download and build this keyer, with all the necessary files etc,

Links

Code

Download zip file Saves and downloads the zip file to your PC.

Documentation:

Schematic: Saves the Schematic to your PC.

Support

Radioartisan Introduction to K3ng

Nano Schematic: Advanced Nano Schematic as seen in picture 2.



Picture 1. shows the basic circuit of the CW keyer in a PDF format. If using a mobile phone or tablet this may not display the PDF file but you can download it, or you can enlarge the circuit in a new window.

Picture 2. shows the variation of the basic circuit.

Picture 3. Shows an advanced version of the circuit by Marc-Andre Gingras, VE2EVN of the nano keyer