DC Switched Fuse Box

Back to Projects 1Photo 1. - DC Switch Blank PCB. 2Photo 2. - The Circuit Diagram. 3Photo 3. - Blank PCB showing marking to drill. 4Photo 4. - Complete Assembly. 5Photo 5. Side View.
led

Photo 6. LED Modification

7Photo 7. Completed in Case. Back to Top

SWITCHED DC FUSE BOX  PROJECT

by Keith Dix ZL1BQE

This DC switched fuse box kit is another kit designed by Keith ZL1BQE. Full credit goes to Keith for the design.
These kits are available from David ZL1DK. Cost of each kit is to be advised. I will update the cost of the kit once it has been priced.

Email.

You can contact David directly via email on ZL1DK Just click on his callsign to email your interest to David.

Please note, I take no credit for this project and please read my Disclaimer and you understand it before continuing.

Tip:

Before you start construction.

I would also recommend to read the instructions below FIRST for construction tips and recommendations BEFORE you start assembling this kit.
Also see my Solder Basics & Construction Tips for further tips to help with construction of this project.

Assembly.

Start with the resistors, install R1, (4K7) Next R2 And R3.
Next install the FET transistors Q1 and Q2. If you plan to fit any heatsinks to these FET's then you will need to source these first as they do not come with the kit and it is best to leave them out for now until you get the heatsinks, then put each FET onto the heatsink first, and then install them onto the PCB.
The reason doing it this way is to make sure the height of the FET's legs are correct when fitted. When using a heat sink, you will also need to make sure that the heatsink does not short out on any components installed.
Optional extra. If you want to add a switch SW1. I fitted a switch on my kit and soldered header pins on the switch, before soldering to the board. (The switch SW1 and header pins are Not Supplied with the kit.)
If you do not wish to add a switch, then you will need to fit a shorting link or jumper in place of the switch.
Fuses
The blade fuses are also not included with the kit. You can go to most dollar outlet shops and buy them. Our local dollar shops in town have them for around $2.50
I used a 30A in F5 as I used J5 powerpole for the 12v power in. If running HF rigs I fitted a 25A and 15A on VHF radios. This of course needs to be rated on the current drawn from your radio so your fuse may be higher or lower.

Photo 1. Shows the blank PCB board before assembly. If you do not want to fit LED's then skip the LED modification

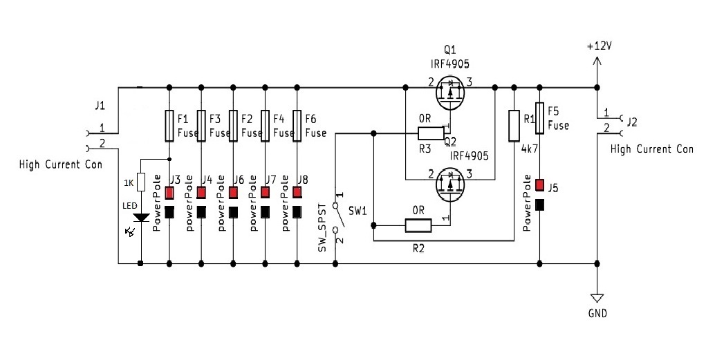
Circuit Diagram

Photo 2. Shows the circuit diagram.

LED Modification.

In the circuit diagram you will notice a 1k resistor and LED at the junction of J3 and F1. If you decide you want to fit these LED's then you will need to modify the PCB board as shown in photo 3.
On the PCB board in photo 3, highlighted in red, you will see 3 chevrons, drill the center chevron as shown. Use a 1mm drill and once drilled you will now need to remove a small part of the green paint just around the hole you just drilled to allow solder to flow once you fit the resistor.
I have shown this as a silver colour, inside the red rings that you need to remove. Try not to scratch too much paint away and try to keep it around the hole only, so once soldered it looks nice and neat.
The circuit diagram is showing only one LED. You need to add one LED for each of the power poles.
I added the green LED's to show that the circuit is working, if the LED is on. If one of the LED's goes out then the green LED that is not lit will mean the fuse is blown. You could do the opposite and fit maybe a red LED across the fuse which would only then light up if the fuse blows. (This is not shown)
Photo 6. shows how each LED is fitted. the anode of the LED is joined to the 1K resistor and fits through each hole drilled. The cathode's leg gets bent as shown in photo 6, so the bent leg joins onto the next LED and so on. When you get to the last LED, the connection to earth can be seen in the middle of photo 7. I also added heatshrink over each of the 1K resistors.
The stand alone LED's and 1K resistor for F5 is mounted differently to the rest of the LED's. Make sure you get it around the right way. Mount the cathode leg of the LED straight down to earth so it is inline with the other LED's and fit the 1K resistor to anode, and the other side to the junction of F5, R1 and pin3 of Q1 and Q2.

Anderson 25A Power Pole.

When you go to assemble these, you will need a suitable wire to solder to the pin and to the PCB. I used the inner conductor from some RG8 coax cable as this was a perfect size to use. Slot together the red and black plastic power pole connectors. Next solder the wire to the pin and fit each pin into the plastic housing. I used two lenghts of the inner conductor, one for the red and other for black. Do one pair at a time starting at one end and work your way over, making sure these are flat on the board.
Reference numbers are J5, J8, J7, J6, J4, and J3.
Trim the wire, and repeat the same process for all the power poles. Make sure you get the red and black connectors the right way round. See photo 5, for a close up view.

Spade Terminals.

With the spade terminals we will use these as the fuse holders.
Using a pair of pliers squeeze and crimp the tip of the cable side end so that it fits into the PCB. Also do these in pairs, and to keep these straight, using a blade fuse while you solder them in place. Push and fit the spade terminal onto the fuse and insert it in to F1 and solder each spade terminal onto the board. Remove the fuse and do the same again for the rest F3, F2, F4, F6 and F5. You should now end up with it looking like the finished unit in photo 4.

End View of Board.

In photo 5 you can see a close up end view showing the spade terminals and blade fuse inserted. I added heat shrink over the terminals. I used red and black heatshrink as I did not have enough red shrink for both terminals. Being a fuse both sides of the fuse will have 12v when the fuse is good.

Completed in Case.

Photo 7 shows the finished project in a 3D printed case. Credit goes to Jack ZL1IJ for design and of printing these cases.

Any issues or questions or help needed, you can email myself ZL1RJS or David ZL1DK below.

Contacts

ZL1DK Just click on the callsign to email David

ZL1RJS Just click on the callsign to email Rob